无锡恩本精密轴承制造有限公司!!!
网站首页
联系我们
网站首页
关于我们
技术资料
产品中心
新闻中心
联系我们
技术资料
轴承编号体系
向心球轴承的设计和特征
轴承原材料
保持架、防尘盖、密封圈的类型和特征
轴承公差、等级和倒角尺寸
轴承的配合
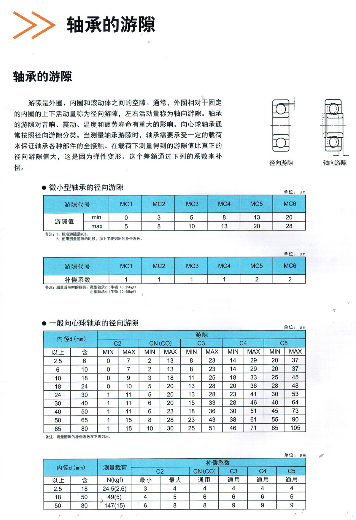
轴承的游隙
振动标准
轴承的润滑
选择和使用轴承的基本规定
轴承常见问题的原因及对策
轴承损伤的原因及对策
技术资料
首页
>>
技术资料
轴承编号体系
向心球轴承的设计和特征
轴承原材料
保持架、防尘盖、密封圈的类型和特征
轴承公差、等级和倒角尺寸
轴承的配合
轴承的游隙
振动标准
轴承的润滑
使用轴承的基本规定
共32条 当前1/4页
首页
前一页
1
2
3
4
后一页
尾页
无锡恩本精密轴承制造有限公司
联系人:胡先生
手 机:13812296564
电 话:0510-88786652
传 真:0510-88786653
地 址:江苏省无锡市锡山区安镇街道走马塘西路69号
扫描了解更多
Copyright 2019-2021 @ 版权所有:无锡恩本精密轴承制造有限公司All rights reserved.
备案号:苏ICP备19006384号-1
X