-
Bearing number system
-
Design and characteristics of centripetal ball bearings
-
Bearing raw materials
-
Cage, dust cover, types and characteristics of sealing ring
-
Bearing tolerance, grade and chamfer size
-
Bearing with the
-
Vibration standard
-
bearing lubrication
-
Basic regulations governing the use of the bearing
-
Bearing the causes and countermeasures of common problems
-
causes and countermeasures of bearing damage
-
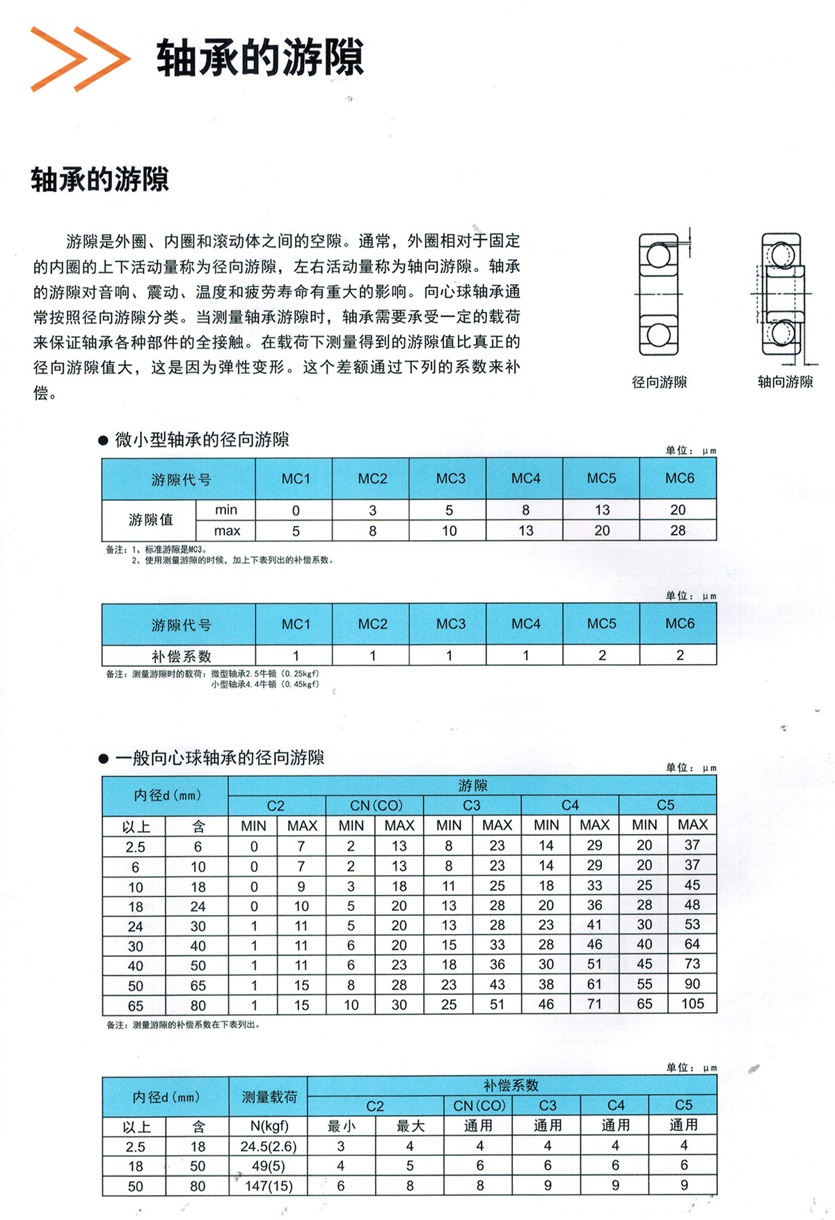
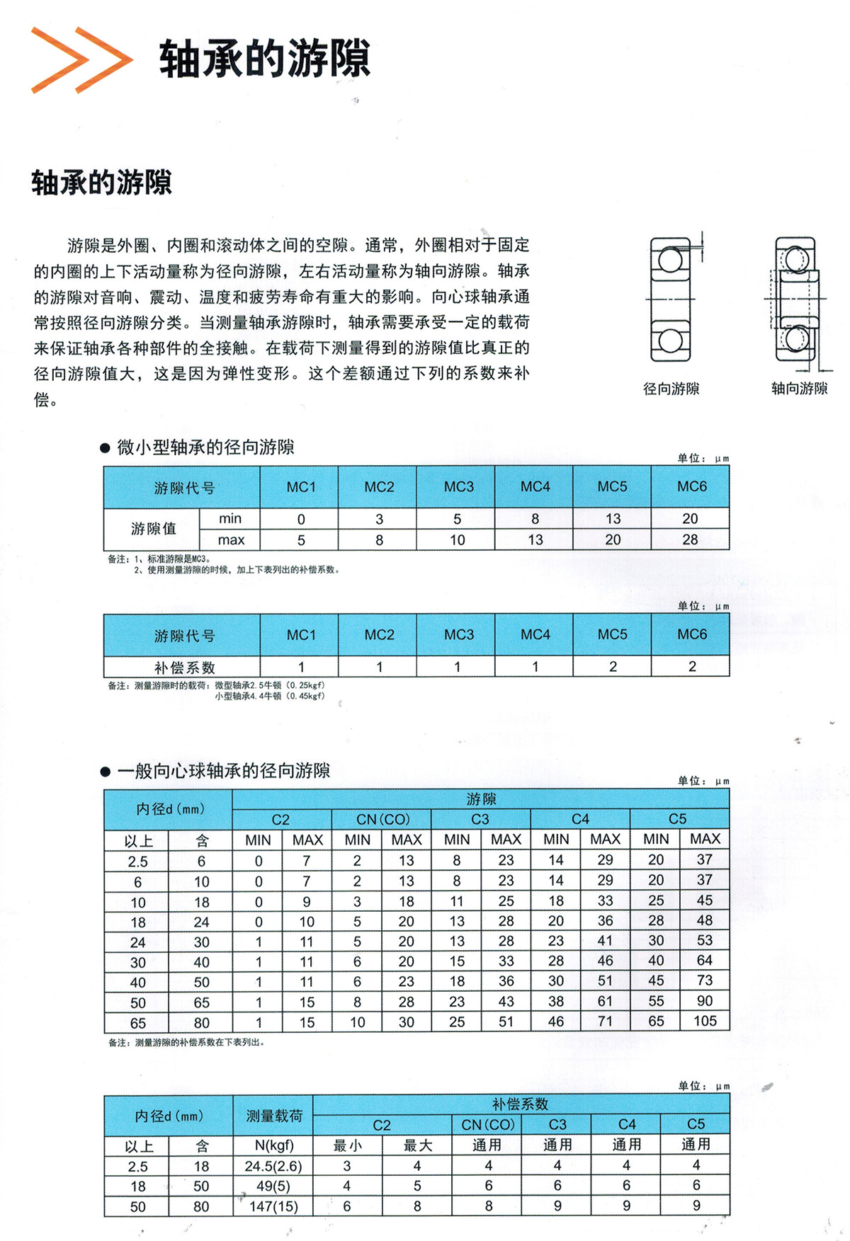
bearing clearance